Продукция MOXA в Украине "Вектор" Киев премьер - дистрибьютор MOXA в Украине
Продукция MOXA. Поиск по группе и наименованию.  

 

PROFINET, Fieldbus, EtherNet/IP решения

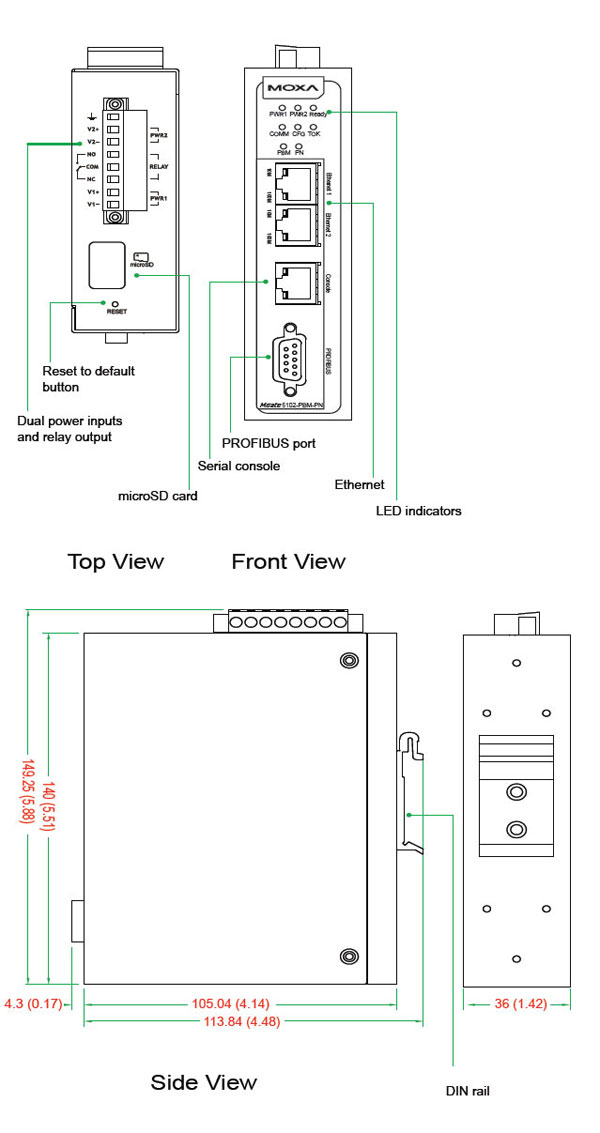
 Серия MOXA MGate 5102-PBM-PN
  Однопортовые PROFINET в PROFINET шлюзы

 Однопортовые PROFINET в PROFINET шлюзы


  


Если при прочтении материала на нашем сайте у Вас возникли вопросы, либо необходимо узнать стоимость  оборудования, пожалуйста, заполните следующую форму