Продукция MOXA в Украине "Вектор" Киев премьер - дистрибьютор MOXA в Украине
Продукция MOXA. Поиск по группе и наименованию.  

 

 Сервера доступа для устройств с последовательным
 интерфейсом Serial- Ethernet:

 MiiNePort E1
 
Модуль-сервер доступа Serial-Ethernet 10/100 Mbps (TTL, RJ-45)

 ¤ Внешний вид
MOXA MiiNePort E1
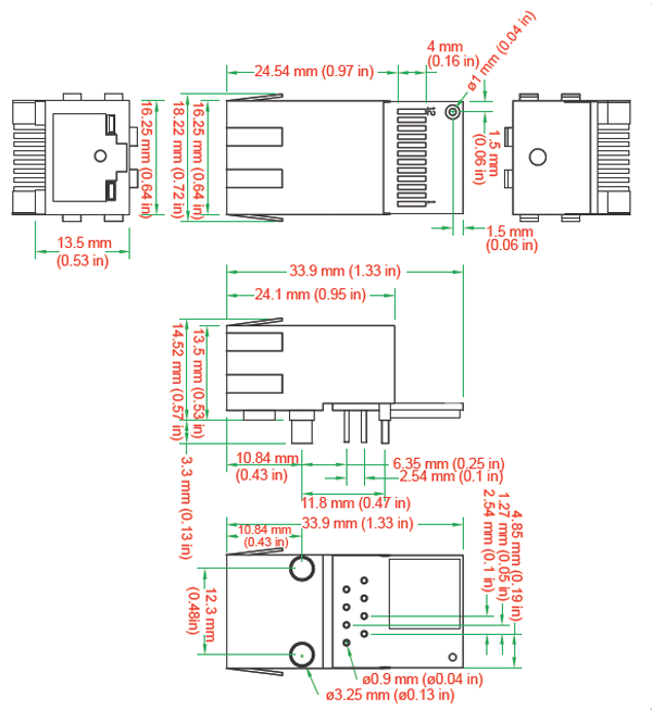
 ¤ Размеры
 ¤ Разъем


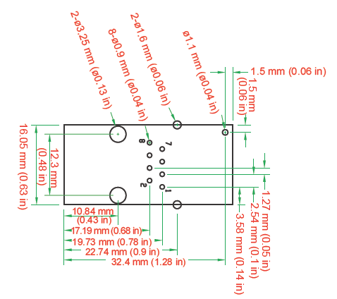
 ¤ Установочные размеры


Если при прочтении материала на нашем сайте у Вас возникли вопросы, либо необходимо узнать стоимость  оборудования, пожалуйста, заполните следующую форму