| Серия
UC-8540 Arm-based Cortex-A7
двухъядерные компьютеры |

|
 |
Moxa UC-8540 - это инновационная
вычислительная платформа, разработанная специально для
транспортных приложений. Его односторонняя конструкция
ввода-вывода идеально подходит для транспортных средств, в
которых обычно не хватает места для установки устройств связи.
Доступ с лицевой стороны упрощает установку или замену SIM-карт
и проводных кабелей. Пользователи могут устанавливать или менять
беспроводные модули, карты mSATA и батарею RTC сверху или снизу
для облегчения обслуживания.
|
|
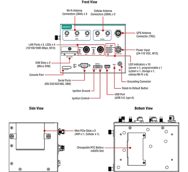
UC-8540 имеет 1 слот
miniPCIe с сигналом USB для поддержки модуля 4G / LTE и 1 слот с сигналом PCIe /
USB для поддержки модуля Wi-Fi. Модуль 4G / LTE имеет два слота для SIM-карт,
которые можно использовать для обеспечения связи с резервной сотовой сетью или
выбора SIM-карты с географической привязкой.
используя встроенную платформу удаленного управления устройствами Moxa MIRF 2.0
с беспроводным управлением.
UC-8540 может использоваться в качестве вычислительной платформы,
ориентированной на связь, в таких приложениях, как шлюз связи между автомобилем
и землей, шлюз TCMS T2G (поезд-земля), мобильный блок мониторинга состояния,
шлюз Ethernet Consist Network T2G и бортовой беспроводной автоматизированный
единица сбора платы за проезд 2
UC-8540 использует открытую платформу на основе Debian 8 с ядром
Linux 4.1, что позволяет поставщикам решений управлять пакетами программного
обеспечения через APT Debian (расширенные инструменты упаковки) или
разрабатывать программные приложения с помощью библиотеки Moxa API и библиотеки
GNU C.
|
|
|
|
 |
Поддерживает 1 WWAN соединение
с 2 слотами для SIM-карт |
 |
Поддерживает
подключение 1 WLAN (IEEE 802.11b/g/n/ac) |
 |
Однопанельна
конструкція вводу/виводу уменшает
пространство для
установки и
облегчает обслуживание |
 |
Передняя панель доступа
для удобства обслуживания |
 |
Соответствует всем обязательным тестам EN 50155 |
 |
EN 50155 Tx,
рабочая температура
(от -40 до 70°C) для суровых условий |
 |
Изолированное
входное
питание от 24
до 110 В постоянного
тока с функцией
инжекции,
что подходит
для применения в автомобилях.
|
Аппарантная
часть |
| Процессор |
ARMv7 Cortex-A7 dual-core 1 GHz |
| DRAM |
1 GB DDR3L SDRAM |
|
Поддерживаемая ОС |
Linux Debian 8 (Linux kernel
v4.1) |
Память |
| Основная |
8 GB eMMC
для хранения ОС |
| Расширение памяти |
mSATA
слот, внутренний разъем mini-PCIe |
Интерфейс
компьютера |
|
Слоты расширения |
mPCIe slot x 2 |
|
Порты Ethernet |
Авто
10/100/1000 Mbps порты (M12 X-coded)
x 2 |
|
Разъем сотовой антены |
QMA x 2 |
|
USB 3.0 |
USB 3.0 хосты x 1, разъемы типа
A |
|
Разъем антены Wi-Fi |
QMA x 3 |
|
Последовательные порты |
RS-232/422/485 x 1, программно
выбирается (DB9 male) |
| SIM
карт слоты |
2x
Micro |
|
Консольный порт |
RS-232 (TxD, RxD, GND),
4-контактный выход (115200, n, 8, 1) |
|
Кнопки |
Кнопка сброса
"Reset" |
|
Примечание:
|
Беспроводные модули
покупаются отдельно |
GPS
интерфейс |
| Тип
приемника |
•
72-канальный U-blox 8 движков |
| Протоколы |
NMEA 0183, версия 4.0
(настройки V2.3 или
V4.1), UBX, RTCM |
|
Длительность
импульса |
от
0.25 Hz до 10 MHz |
| Точность
определения скорости |
0.05
m/s |
|
Угловая точность |
0.3
градуса |
|
Разъем
антены GPS |
TNC x 1 |
Сигналы последовательного
интерфейса |
| RS-232 |
TxD, RxD, DTR, DSR, RTS, CTS, DCD, GND |
| RS-422 |
Tx+, Tx-, Rx+, Rx-, GND |
| RS-485-4
w |
Tx+,
Tx-, Rx+, Rx-, GND |
| RS-485-2
w |
Data+,
Data-, GND |
LED
индикация |
| Система |
Power x 1
System Ready x 1
Programmable x 1 |
| LAN |
10M/Link x
2, 100M/Link x 2 (на соединения) |
| Последовательные
интерфейсы |
TxD x
2, RxD x 2 |
|
Уровень беспроводного сигнала |
Cellular
/ Wi-Fi x 6 |
Физические
характеристики |
| Корпус |
Металл |
| Вес |
1600 г |
| Размеры (Ш x Д x В) |
160 x 120 x 120 мм без
ушей
190 x 120 x 125 мм с ушами |
| Крепление |
настенное
(Wall mounting) |
|
IP Rating |
IP40 |
|
Защита |
UC-8540-T-CT-LX: конформное
покритие PCB |
|

 |
Внешняя
среда |
| Рабочая температура |
•
Стандартные модели:
от -25 до 55°C
• Широкая температура,
модели T: от
-40 до 70°C |
| Температура
хранения |
от -40 до
85°C |
|
Относительная влажность |
от 5 до 95% RH |
Питание |
| Входное
питание |
от
24 до 110 VDC |
|
Потребление |
1.66 A @ 24 VDC, 0.36 A @ 110
VDC |
|
Потребляемая
мощность |
40 W (max.) |
|
Соединитель |
M12 A-coded 4-pin male connector |
Сертификаты |
| Безопасность |
EN 62368-1, IEC 62368-1 |
| EMC |
EN 55032/35 |
| EMI |
CISPR 32, FCC Part 15B Class A |
| EMS |
IEC 61000-4-2 ESD: Contact: 6
kV; Air: 8 kV
IEC 61000-4-3 RS: 80 MHz to 1 GHz: 20 V/m
IEC 61000-4-4 EFT: Power: 2 kV; Signal: 2 kV
IEC 61000-4-5 Surge: Power: 2 kV; Signal: 2 kV
IEC 61000-4-6 CS: 10 V
IEC 61000-4-8 PFMF |
|
Vibration |
IEC 60068-2-64, IEC 61373, EN
50155 |
|
Shock |
IEC 60068-2-27, IEC 61373, EN
50155 |
|
Железная дорога |
EN 50155, EN 50121-4, EN 45545 |
| Green Product |
RoHS,
CRoHS, WEEE |
Дополнительно |
|
Средства предупреждения |
Звуковой сигнал
и RTC
(real-time clock) |
| Триггер автоматической перезагрузки |
WDT |
|
|
| UC-8540-LX |
Arm-based Linux компьютер для
связи подвижных объектов
с "землей",
с поддержкой сотовых
сетей и Wi-Fi, GPS модуль, 2 Ethernet,
1 serial порт и 2 слоты расширения, рабочая температура
от -25 до 55°C |
| UC-8540-T-LX |
Arm-based Linux омпьютер для
связи подвижных объектов
с "землей",
с поддержкой сотовых
сетей и Wi-Fi, GPS модуль, 2 Ethernet,
1 serial порт и 2 слоты расширения, рабочая температура
от
-40 до 70°C |
| UC-8540-T-CT-LX |
Arm-based Linux омпьютер для
связи подвижных объектов
с "землей",
с поддержкой сотовых
сетей и Wi-Fi, GPS модуль, 2 Ethernet,
1 serial порт и 2 слоты расширения, рабочая температура
от
-40 до 70°C, защитное покрытие (conformal coating) |
| •
Беспроводные модули сотовой
связи и
модули Wi-Fi
|
|
UC-8500-WLAN33-Q-AC |
модуль Wi-Fi карты:
3 передатчика, 3 приемника,3
разъема QMA
с кабелями |
|
UC-8500-WLAN33-Q-AC-TELEC |
модуль Wi-Fi карты
с сертификацией TELEC: 2 передатчика,
2 приемника, 2 разъема QMA
с кабелями
|
|
UC-8500-4GCat6-Q-NAMEU |
LTE Cat. 6 модули для
Северной
Америки и Европы, 2 разъема QMA
с кабелями,
рабочая температура
от -40 до
60°C |
|
UC-8500-4GCat6-Q-APAC |
LTE Cat. 6 модули для
Северной
Америки и Европы, 2 разъема QMA
с кабелями,
рабочая температура
от -40 до
60°C |
| |
|
|