|
|
Встраиваемые компьютеры MOXA x86
Серия
BXP-С100
x86 бокс компьютеры с базовой
моделью процессора Intel® Core™ 11-го поколения Tiger
Lake и моделями с расширенным интерфейсомсом
Спецификация |
Информация для заказа |
PDF файл описания на английском языке | Отправить запрос
 |
x86
встраиваемый компьютер на базе процессора Intel |
 |
 
Настенные компьютеры BXP-C100 оснащены процессором
Intel® Celeron® или Intel® Core™i5 или i7 11-го поколения.
Компьютеры оснащены богатым набором интерфейсных опций, включая
до 10 программно выбираемых последовательных портов
RS-232/422/485, до 10 портов Gigabit Ethernet, 4 цифровых входа
и 4 цифровых выхода. Коммуникационные интерфейсы расположены на
передней и задней сторонах продукта, что обеспечивает легкий
доступ и расширение для промышленного применения. Конструкция с
двумя хранилищами, включающая слоты CFast и SD, обеспечивает
легкое расширение хранилища. Уникальная конструкция крышки
отсека для аккумулятора фиксирует аккумулятор на месте и
обеспечивает стабильность в любых условиях эксплуатации.
Компактные настенные компьютеры BXP-C100 имеют безвентиляторную
конструкцию и выдерживают диапазон температур от -30 до 60°C,
что делает их идеальными для суровых условий эксплуатации.
Встроенный модуль TPM 2.0 защищает платформу от
несанкционированного доступа. Серия BXP-C100 — это
интеллектуальное вычислительное решение, отвечающее требованиям
как OT, так и ИТ в промышленных средах.
|
 |
Особенности |
 |
|
|
|
 |
Бокс-тип компьютера безвентиляторного
исполнения |
 |
Процессор Intel® Celeron® или
Intel® Core® 11-го покоління |
 |
Богатые варианты интерфейса до 10 последовательных и 10
портов LAN |
 |
Компактный размер для большинства полевых применений |
 |
Диапазон рабочих
температур от -30 до 60°C |
| |
|
 |
Спецификации |
 |
Аппаратная часть |
| Процессор |
•
Модели BXP-C100-C1:
Процессор Intel® Celeron® 6305E (двухядерный, 4 МБ кэш-памяти, 1,80
ГГц)
•
Модели BXP-C100-C5:
Процессор Intel® Core™ i5-1145G7E (четыре ядра, 8 МБ кэш-памяти,
2,60 ГГц, базовая частота: 1,50 ГГц)
•
Модели BXP-C100-C7:
Процессор Intel® Core™ i7-1185G7E (четыре ядра, 12 МБ кэш-памяти,
2,80 ГГц, базовая частота: 1,80 ГГц) |
|
Графический чипсет |
Intel® UHD Graphics |
| Память
DRAM |
1 слот SODIMM DDR4, макс. до 32 ГБ.,
установлено: 8 ГБ DDR4 |
Расширение
памяти,
слот для хранения |
Слот CFast x 1 (интерфейс SATAIII)
1 слот SD, интерфейс SD 3.0 (SDHC/SDXC) |
|
Поддерживаемая ОС |
Поддерживаемые образы и драйверы Windows:
- Windows 10 IoT Enterprise LTSC 2021 64-bit
- Windows 11 Professional 64-bit
Поддерживаемые драйверы Linux:
- Debian 11 (kernel 5.10)
- Ubuntu 22.04 LTS (kernel 5.15)
- RHEL 9 (kernel 5.14) |
|
Предварительно установленая ОС |
•
BXP-C100-C1-T-Win10/C5-T-Win10/C7-T-Win10:
карта CFast на 64 ГБ |
Интерфейс
компьютера |
|
Порты Ethernet |
•
BXP-C100-C1-8L-T/C5-8L-T/C7-8L-T:
Авто 10/100/1000 Мбит/с (разъем RJ45) x 10
•
BXP-C100-C1-2L3C-T/C5-2L3C-T/C7-2L3C-T:
Авто 10/100/1000 Мбит/с (разъем RJ45) x 4
Все остальные модели:
Авто 10/100/1000 Мбит/с (разъем RJ45) x 2 |
|
USB 3.0 |
USB 3.0 хосты x 2,
разъемы тип A |
|
USB 2.0 |
USB 2.0 хосты x
4,
разъемы тип A |
|
Цифровой виход |
DOs x
4 |
|
Цифровой вход |
DIs x 4 |
|
Последовательные порты |
•
BXP-C100-C1-8C-T/C5-8C-T/C7-8C-T:
Порты RS-232/422/485 x 10,
выбираются программным
обеспечением (DB9
male) x 10
•
BXP-C100-C1-2L3C-T/C5-2L3C-T/C7-2L3C-T:
Порты RS-232/422/485 x 5,
выбираются программным
обеспечением (DB9
male) x 5
•
Все остальные модели:
Порты RS-232/422/485 x 2,
выбираются программным
обеспечением (DB9
male) x 2 |
|
Видео выход |
VGA x 1, 15-контактний
разъем D-sub (разъем)
HDMI x 1,
разъем HDMI (тип A) |
|
TPM |
TPM v2.0 |
Последовательные
порты
(Serial)
- параметры |
|
Разъем |
DB9 male |
| Биты данных |
5, 6, 7, 8 |
| Стоп
биты |
1, 1.5, 2 |
| Паритет |
None, Even, Odd, Space, Mark |
| Контроль
потока |
RTS/CTS, XON/XOFF |
|
Скорость передачи данных |
від
50 bps до 115.2 Kbps |
Последовательные
порты
(Serial)
- сигналы |
| RS-232 |
TxD, RxD, DTR, DSR, RTS, CTS, DCD, GND |
| RS-422 |
Tx+, Tx-, Rx+, Rx-, GND |
| RS-485-4
проводный |
Tx+,
Tx-, Rx+, Rx-, GND |
| RS-485-2
проводный |
Data+,
Data-, GND |
Цифровые
входы |
|
Разъем |
Клема Euroblock, яка кріпиться на
гвинтах |
|
Тип датчика |
Сухий контакт |
| Сухие
контакты |
•
логічний
0: замикання на GND
•
логічна
1: відкрити |
Цифровые
выходы |
|
Разъем |
Клемма
Euroblock, которая крепится на винтах
10-контактный терминальный блок |
|
Тип ввода/вывода |
Synk |
|
Напряжение |
0 до 24 VDC |
|
Поточный рейтинг |
200 мА на канал |
|
Изоляция |
3k VDC |
Светодиоды
LED |
| Система |
Power
x1,
Storage x1 |
| LAN |
2 на порт (10/100/1000 Мбит/с) |
Кнопки |
|
Питание |
Вкл-Выкл |
|
Reset |
Для горячего рестарта системы |
Питание |
| Входное
питание |
от
12/24 VDC |
|
Потребление |
•
90 Вт |
|
Разъем
питания |
Клема Euroblock
с винтовым
креплением |
Механические |
| Размеры
(Ш x Д x В) |
•
BXP-C100-C1-T/C5-T/C7-T/C1-T-Win10/C5-T-Win10/C7-T-Win10:
210 x 166 x 48 мм
•
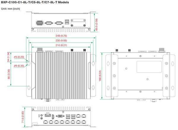
BXP-C100-C1-8L-T/C5-8L-T/C7-8L-T/C1-2L3C-T/C5-2L3C-T/C7-2L3C-T:
210 x 166 x 65,5 мм
•
BXP-C100-C1-8C-T/C5-8C-T/C7-8C-T:
210 x 166 x 83 мм |
| Вес |
•
BXP-C100-C1-T/C5-T/C7-T/C1-T-Win10/C5-T-Win10/C7-T-Win10:
2,015 г
•
BXP-C100-C1-8L-T/C5-8L-T/C7-8L-T: 2,355 г
•
BXP-C100-C1-2L3C-T/C5-2L3C-T/C7-2L3C-T: 2,208 г
•
BXP-C100-C1-8C-T/C5-8C-T/C7-8C-T: 2,385 г |
| Крепление |
Wall mounting (standard) |
| Материал |
Металл |
|
Защита |
IP20 |
Передняя панель
Модели BXP-C100-C1-T/C5-T/C7-T/C1-T-Win10/C5-T-Win10/C7-T-Win10

Модели
BXP-C100-C1-8L-T/C5-8L-T/C7-8L-T

Модели
BXP-C100-C1-8C-T/C5-8C-T/C7-8C-T

Модели
BXP-C100-C1-2L3C-T/C5-2L3C-T/C7-2L3C-T

Задняя панель
Модели
BXP-C100-C1-T/C5-T/C7-T/C1-T-Win10/C5-T-Win10/C7-T-Win10

Модели BXP-C100-C1-8L-T/C5-8L-T/C7-8L-T

Модели BXP-C100-C1-8C-T/C5-8C-T/C7-8C-T

Модели
BXP-C100-C1-2L3C-T/C5-2L3C-T/C7-2L3C-T

Размеры




|
Окружающая
среда |
| Рабочая температура |
от -30 до
60°C |
| Температура
хранения |
от -40 до
75°C |
|
Относительная влажность |
от 5 до 95% без
конденсата |
Сертификаты |
|
EMC |
EN 55032/35 |
| EMS |
IEC 61000-4-2 ESD: Contact: 4 kV; Air: 8 kV
IEC 61000-4-3 RS: 80 MHz to 1 GHz: 3 V/m
IEC 61000-4-4 EFT: Power: 0.5 kV; Signal: 0.5 kV
IEC 61000-4-5 Surge: Power: 0.5 kV, Signal: 1 kV
IEC 61000-4-6 CS: 3 V
IEC 61000-4-8 PFMF: 1 A/m at 50 to 60 Hz |
|
EMI |
CISPR 32, FCC Part 15B Class A, BSMI |
|
Safety |
UL 62368-1 (CB), BSMI |
|
Package Drop Test |
ISTA 1A |
|
Package Vibration Test |
ISTA 1A |
|
Shock |
IEC 60068-2-27 |
|
Vibration |
IEC 60068-2-64 |
|
Package Drop Test |
ISTA 1A |
|
Package Vibration Test |
ISTA 1A |
| Директивы |
RoHS, CRoHS, WEEE |
Надежность |
|
Источник времени |
Встроенный RTC (часы реального времени)
с резервным питанием от литиевой батареи |
|
Триггер автоматической перезагрузки |
Встроенный WDT |
MTBF |
|
Время |
490,983 часов |
|
Стандарты |
Telcordia (Bellcore), GB |
|
 |
Информация для заказа |
 |
|
|
|
Модель |
CPU |
RAM |
Слоты
для хранения |
Предвар. установленная ОС |
LAN/Serial |
USB
2.0/
3.0 |
DIs/
DOs |
Входное
напряжение |
|
BXP-C100-C1-T |
Intel®
Celeron®
6305E |
8 ГБ |
1 x CFast
1 x SD |
- |
2/2 |
4/2 |
4 x DIs
4 x DOs |
12/24 VDC |
|
BXP-C100-C1-T-Win10 |
Intel®
Celeron®
6305E |
8 ГБ |
1 x CFast
1 x SD |
Win 10
LTSC
(64 GB SSD) |
2/2 |
4/2 |
4 x DIs
4 x DOs |
12/24 VDC |
|
BXP-C100-C1-8L-T |
Intel®
Celeron®
6305E |
8 ГБ |
1 x CFast
1 x SD |
- |
10/2 |
4/2 |
4 x DIs
4 x DOs |
12/24 VDC |
|
BXP-C100-C1-8C-T |
Intel®
Celeron®
6305E |
8 ГБ |
1 x CFast
1 x SD |
- |
2/10 |
4/2 |
4 x DIs
4 x DOs |
12/24 VDC |
|
BXP-C100-C1-2L3C-T |
Intel®
Celeron®
6305E |
8 ГБ |
1 x CFast
1 x SD |
- |
4/5 |
4/2 |
4 x DIs
4 x DOs |
12/24 VDC |
|
BXP-C100-C5-T |
Intel®
Core® i5-
1145G7E |
8 ГБ |
1 x CFast
1 x SD |
- |
2/2 |
4/2 |
4 x DIs
4 x DOs |
12/24 VDC |
|
BXP-C100-C5-T-Win10 |
Intel®
Core® i5-
1145G7E |
8 ГБ |
1 x CFast
1 x SD |
Win 10
LTSC
(64 GB SSD |
2/2 |
4/2 |
4 x DIs
4 x DOs |
12/24 VDC |
|
BXP-C100-C5-8L-T |
Intel®
Core® i5-
1145G7E |
8 ГБ |
1 x CFast
1 x SD |
- |
10/2 |
4/2 |
4 x DIs
4 x DOs |
12/24 VDC |
|
BXP-C100-C5-8C-T |
Intel®
Core® i5-
1145G7E |
8 ГБ |
1 x CFast
1 x SD |
- |
2/10 |
4/2 |
4 x DIs
4 x DOs |
12/24 VDC |
|
BXP-C100-C5-2L3C-T |
Intel®
Core® i5-
1145G7E |
8 ГБ |
1 x CFast
1 x SD |
- |
4/5 |
4/2 |
4 x DIs
4 x DOs |
12/24 VDC |
|
BXP-C100-C7-T |
Intel®
Core® i7-
1185G7E |
8 ГБ |
1 x CFast
1 x SD |
- |
2/2 |
4/2 |
4 x DIs
4 x DOs |
12/24 VDC |
|
BXP-C100-C7-T-Win10 |
Intel®
Core® i7-
1185G7E |
8 ГБ |
1 x CFast
1 x SD |
Win 10
LTSC
(64 GB SSD) |
2/2 |
4/2 |
4 x DIs
4 x DOs |
12/24 VDC |
|
BXP-C100-C7-8L-T |
Intel®
Core® i7-
1185G7E |
8 ГБ |
1 x CFast
1 x SD |
- |
10/2 |
4/2 |
4 x DIs
4 x DOs |
12/24 VDC |
|
BXP-C100-C7-8C-T |
Intel®
Core® i7-
1185G7E |
8 ГБ |
1 x CFast
1 x SD |
- |
2/10 |
4/2 |
4 x DIs
4 x DOs |
12/24 VDC |
|
BXP-C100-C7-2L3C-T |
Intel®
Core® i7-
1185G7E |
8 ГБ |
1 x CFast
1 x SD |
- |
4/5 |
4/2 |
4 x DIs
4 x DOs |
12/24 VDC |
|
|