Аппаратная часть |
| Процессор |
Intel® Celeron® G3902E (2
МБ кеш-памяти, 1,60 ГГц)
Intel® Core™ i5-6442EQ (6 МБ кеш-памяти, до 2,70 ГГц)
Intel® Core™ i7-6822EQ (6 МБ кеш-памяти, до 2,80 ГГц) |
|
Системный чипсет |
Mobile Intel® QM170 Chipset |
|
Графический конторллер |
Celeron: Intel® HD Graphics 510
Core i5: Intel® HD Graphics 530
Core i7: Intel® HD Graphics 530 |
|
Слот системной памяти |
SODIMM DDR4 slot x 2 |
| ОС |
Windows 10 Embedded IoT Ent 2019
LTSC 64-разрядная
Linux Debian 9
Примечание: ОС доступная CTOS |
|
Слот для
сохранения |
2,5-дюймовые разъемы HDD/SSD x 1 |
Интерфейс
компьютера |
|
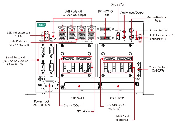
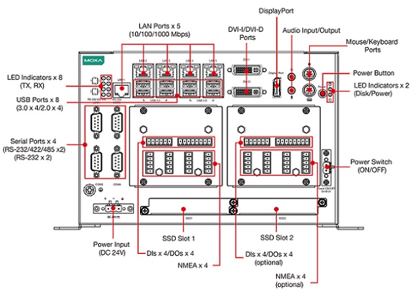
USB 2.0 |
USB 2.0 хосты x 5, разъемы типа
A |
|
USB 3.0 |
USB 3.0 хосты x 4,
розъемы типа
A |
|
Видеовыход |
DisplayPort x 1 |
|
Видеовход |
DVI-D x 1, 29-контактный
розъем
DVI-D (female)
DVI-I x 1, 29-контактный розъем DVI-I (male) |
|
Последовательные порты |
Порты RS-232 х 2 (DB9 штекер)
Порты RS-232/422/485 x 2, программно выбирается (DB9 штекер) |
|
Порты Ethernet |
Авто 10/100/1000 Мбит/с (разъем
RJ45) x 5 |
|
Аудио вход/выход |
Линейный вход x 1, линейный
выход x 1, телефонный
разъем 3,5 мм |
|
Цифровой вход |
DIs x 4
Только для серии MC-7420 |
|
Цифровой выход |
DOs x 4
Только для серии MC-7420 |
|
Порт NMEA |
NMEA 0183 порты x 4
(терминальный блок)
Только для серии MC-7420 |
|
PS/2 |
Клавиатура PS/2 x 1 + мышь PS/2
x 1 |
Реле |
|
Разъем |
Клема Euroblock, крепится
шурупами |
|
Контакт поточный рейтинг |
Резистивная нагрузка: 2 A @
30 VDC |
|
Сопротивление контактов |
50 милиОм (макс.) |
|
Начальное
сопротивление
изоляции |
1000 мега-ом (мин.) @ 500 VDC |
|
Механическая выносливость |
100 000 000 операций |
|
Минимально допустимая
нагрузка |
20 A @ 30 VDC |
LED
индикаторы |
|
Cистемные |
Сохранение х 1
Питание х 1 |
|
LAN |
2 на порт (10/100/1000 Мбіт/с) |
|
Последовательные порты |
2 на порт (Tx, Rx) |
Последовательные порти |
| Стандарт |
•RS-232/422/485 |
|
Изоляция |
нет |
|
Скорость передачи данных |
от 50 bps до 115.2 Kbps |
|
Контроль потока |
RTS/CTS, XON/XOFF, ADDC™ (automatic data direction control)
для RS-485 |
| Паритет |
None, Even, Odd, Space, Mark |
|
Интерфейс NMEA |
NMEA 0183: RS-422
Скорость передачи: 4800 бит/с
Бит данных: 8
Рукопожатие: нет
Защита оптической
изоляции: 3 кВ
Паритет: нет
Стоп-биты: 1, 1,5, 2 |
Надежность |
|
Триггер автоматической перезагрузки |
Встроенный WDT |
Питание |
| Входное
питание |
модель AC
- от 100 до 240 В
переменного напряжения,
модель DC - 24 В постоянного
напряжения |
|
Потребление |
100 Вт |
|
Разъем
питания |
Клемный блок (для моделей
постоянного напряжения) |
Физические
характеристики |
| Корпус |
Металл |
| Вес |
Серия MC-7410: 5500 г
Серия MC-7420: 6000 г |
| Размеры
(Ш x Д x В) |
Серия MC-7410: 240 x 209 x 125 мм
Серия MC-7420: 240 x 209 x 160 мм |
MC-7410 AC
MC-7410 DC

MC-7420 AC

MC-7420 DC

Размеры

 |
Внешняя среда |
| Рабочая температура |
от -25 до 55°C |
| Температура
хранения |
от 5 до 95% RH |
| Температура
хранения |
от -30 до
60°C |
Сертификаты |
| Safety |
CE, IEC 62368-1, UL 60950-1 |
| Electrical Substation |
IEC
61850-3, IEEE 1613, IEC |
| Protection Relay |
IEC 60255 |
| EMC |
EN 55032/35 |
| EMI |
CISPR 22, FCC Part 15B Class A |
| EMS |
IEC
61000-4-2 ESD: Contact: 6 kV; Air: 8 kV
IEC 61000-4-3 RS: 80 MHz to 1 GHz: 10 V/m
IEC 61000-4-4 EFT: Power: 2 kV; Signal: 4 kV
IEC 61000-4-5 Surge: Power: 1 kV; Signal: 1 kV
IEC 61000-4-6 CS: 10 V
IEC 61000-4-8: PFMF |
|
Maritime |
IEC 60945 |
| Green Product |
RoHS, CRoHS, WEEE |
 |
Информация для заказа |
 |
|
|
| ¤
Модели |
|
MC-7410-C1-AC |
x86
компьютер
с процессором Intel
Celeron G3902E, питание 100-240 VAC, рабочая температура
от -20 до
55°C |
|
MC-7410-C1-DC |
x86
компьютер
с процессором Intel
Celeron G3902E,
питание 24 VDC, рабочая температура
от -20 до
55°C |
|
MC-7410-C5-AC |
x86 компьютер
с процессором Intel Core i5-6442EQ,
питание 100-240
VAC, рабочая температура
от --20 до
55°C |
|
MC-7410-C5-DC |
x86
компьютер
с процессором Intel Core
i5-6442EQ, питание 24 VDC, рабочая температура
от -20 до
55°C |
|
MC-7410-C7-AC |
x86
компьютер
с процессором Intel Core
i7-6822EQ,
питание 100-240 VAC, рабочая температура
от -20 до
55°C |
|
MC-7410-C7-DC |
x86 компьютер
с процессором Intel Core i7-6822EQ,
питание 24 VDC, рабочая температура
от -20 до
55°C |
|
MC-7420-C1-AC |
x86
компьютер
с процессором
Intel Celeron G3902E, питание 100-240 VAC, рабочая температура
от -20 до
55°C |
|
MC-7420-C1-DC |
x86
компьютер
с процессором
Intel Celeron G3902E,
питание 24 VDC, рабочая температура
от-20 до
55°C |
|
MC-7420-C5-AC |
x86 компьютер
с процессором Intel Core i5-6442EQ,
питание 100-240
VAC, рабочая температура
от -20 до
55°C |
|
MC-7420-C5-DC |
x86
компьютер
с процессором Intel Core
i5-6442EQ, питание 24 VDC, ррабочая температура
от -20 до
55°C |
|
MC-7420-C7-AC |
x86
компьютер
с процессором Intel Core
i7-6822EQ,
питание 100-240 VAC, рабочая температура
от -20 до
55°C |
|
MC-7420-C7-DC |
x86 компьютер
с процессором Intel Core i7-6822EQ,
питание 24 VDC, рабочая температура
от -20 до
55°C |